
Capteur de mouvement à micro-ondes avec conception innovante à longue portée
Marque:
HAISENArticle no.:
HD401S CRCommande (MOQ):
100PCSPaiement:
L/C, T/T, Western UnionOrigine du produit:
Chinacertification:
UL,FCC,TUV,RED,CE,ROHS
Capteur de mouvement à micro-ondes avec conception innovante à longue portée
Caractéristiques:
Description:
Le HD401S CR est un détecteur de mouvement actif et innovant, doté d'un système HF 5,8 GHz. Il allume et éteint automatiquement la lumière en fonction des mouvements et de la luminosité ambiante. Il peut contrôler tous types de lampes, comme les lampes halogènes, fluorescentes et LED. Compact et compact, il s'intègre parfaitement à la plupart des luminaires. Détecte les mouvements à travers le plastique, le verre et les matériaux fins non métalliques.
Description détaillée du produit :
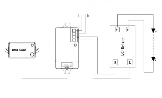
Fonctionnement tension | 120~277 VCA 50/60 Hz |
Capacité de commutation | Max. 3,0 A à 120 Vca ; Max. 2,0 A à 277 Vca |
Alimentation en veille | <1W |
Zone de détection | 50%/100% |
Temps de maintien | 5 s/1 min/5 min/10 min |
Seuil de lumière du jour | 2Lux/10Lux/50Lux/Désactiver |
Fréquence micro-ondes | 5,8 GHz ± 75 MHz |
Hauteur de montage | Max.6 m/19,68 pi |
Plage de détection | Max.ø14m/45,92ft |
Angle de détection | 30°-150° |
Température de fonctionnement | -20°C~+60°C |
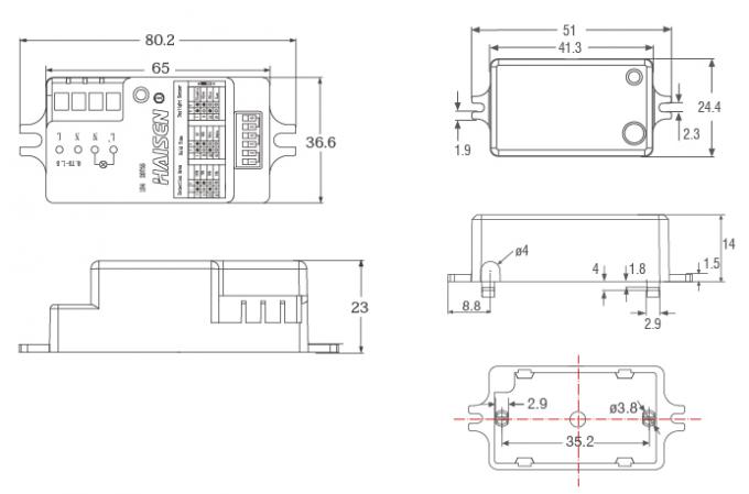
Taille | 80,2 x 36,6 x 23 mm |
Indice de protection IP | IP20 |
Garantie | 5 ans |
Conception | Conception compacte |
Certificat | Homologué cULus, FCC |
Schéma de câblage
Structure mécanique (mm)
Instructions d'installation
Couverture de détection
Démo
Application
Précédent:
Capteur de mouvement à micro-ondes 50 60 Hz Marche/Arrêt Gradation Capteur de présence à micro-ondesSuivant:
Détecteur de mouvement à micro-ondes marche/arrêt avec fréquence de 5,8 GHz pour plafonnierSi vous avez des questions ou des suggestions, laissez-nous un message, nous vous répondrons dès que possible !
Catégories
Nouveaux produits
Capteur PIR 12 V CC IP65 avec fonction de priorité à la lumière du jour En savoir plus
Capteur interchangeable MW/PIR pour baies hautes et basses En savoir plus
Capteur PIR/MW interchangeable pour baies hautes et basses En savoir plus
Capteur de mouvement à micro-ondes avec antenne tige et interrupteur DIP et fonction marche/arrêt, format compact En savoir plus
© Droit d\'auteur: 2025 Microtionlight Tous droits réservés.
Network IPv6 pris en charge